Científicos descubren gusanos marinos que recubren sus mandíbulas con cobre
- Científicos descubren gusanos marinos que recubren sus mandíbulas con cobre para perforar e inyectar veneno a sus víctimas
- El equipo espera que una mejor comprensión de cómo el gusano de sangre lleva a cabo su laboratorio de procesamiento autónomo podría ayudar a optimizar partes de la producción que beneficiarían a la industria.
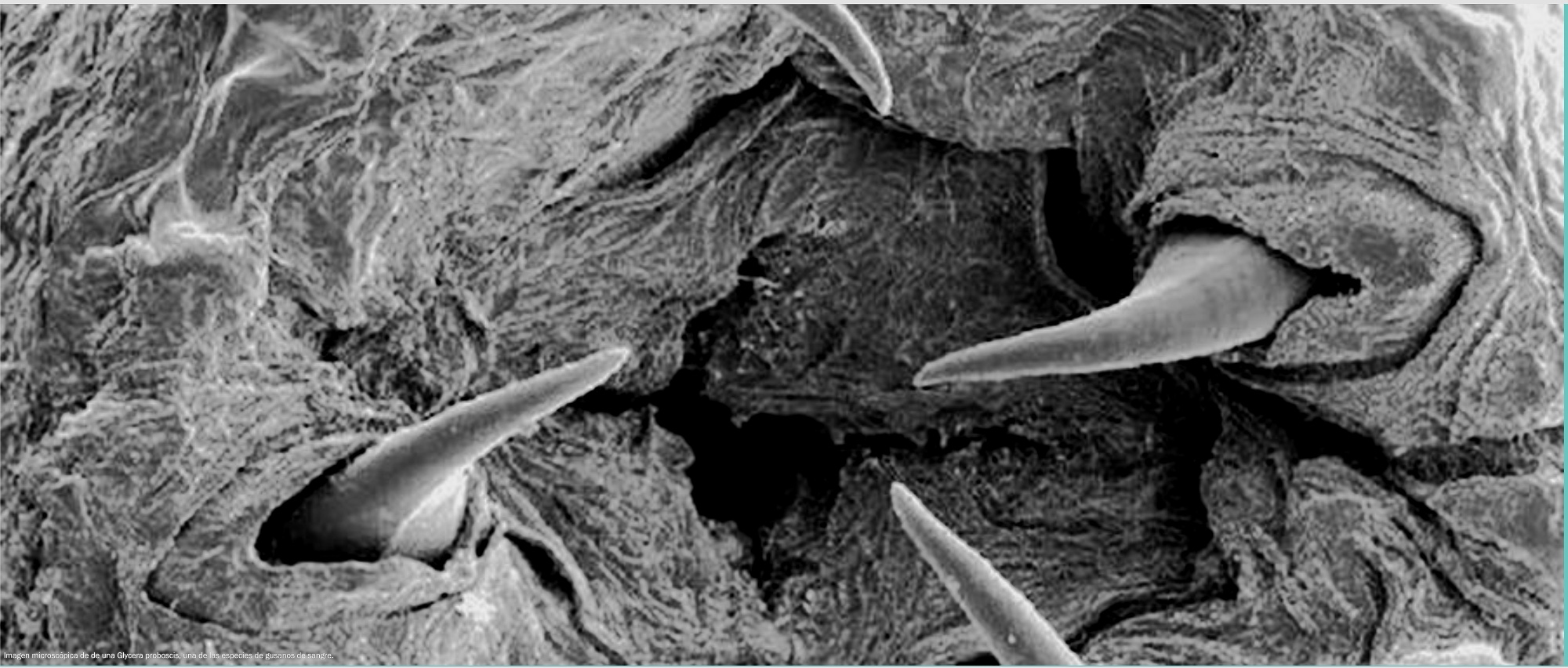
Bioquímicos de la Universidad de California, en Santa Bárbara, han observado cómo los gusanos de sangre (Glycera Americana) utilizan el cobre extraído de los sedimentos marinos para formar sus mandíbulas y el proceso descrito en el estudio puede ser incluso más inusual que los propios dientes.
Los gusanos de sangre son conocidos por sus inusuales mandíbulas en forma de colmillo, que están hechas de proteínas, melanina y concentraciones de cobre que no se encuentran en ninguna otra parte del reino animal.
El laboratorio ha estado estudiando los gusanos de sangre durante 20 años, pero solo recientemente pudieron observar el proceso químico que forma un material similar a una mandíbula de principio a fin.
Proceso
El gusano comienza con un precursor de proteína, que recluta cobre para concentrarse en un líquido viscoso rico en proteínas que tiene un alto contenido de cobre y se separa en fases del agua.
Luego, la proteína usa el cobre para catalizar la conversión del derivado del aminoácido DOPA en melanina, un polímero que, combinado con la proteína, le da a la mandíbula propiedades mecánicas que se asemejan a los metales manufacturados.
A través de este proceso, el gusano puede sintetizar fácilmente un material que, si se creara en un laboratorio, sería un proceso complicado que involucraría muchos aparatos, solventes y temperaturas diferentes.
“Nunca esperábamos que una proteína con una composición tan simple, es decir, principalmente glicina e histidina, realizara tantas funciones y actividades no relacionadas”, dice Herbert Waite, coautor del estudio.
El equipo espera que una mejor comprensión de cómo el gusano de sangre lleva a cabo su laboratorio de procesamiento autónomo podría ayudar a optimizar partes de la producción que beneficiarían a la industria.










